lm324资料
LM324是四运放集成电路,它采用14脚双列直插塑料封装,lm324原理图如图所示。它的内部包含四组形式完全相同的运算放大器,除电源共用外,四组运放相互独立。
每一组运算放大器可用图1所示的符号来表示,它有5个引出脚,其中“+”、“-”为两个信号输入端,“V+”、“V-”为正、负电源端,“Vo”为输出端。两个信号输入端中,Vi-(-)为反相输入端,表示运放输出端Vo的信号与该输入端的相位相反;Vi+(+)为同相输入端,表示运放输出端Vo的信号与该输入端的相位相同。lm324引脚图见图2。

图 1 图 2
由于LM324四运放电路具有电源电压范围宽,静态功耗小,可单电源使用,价格低廉等优点,因此被广泛应用在各种电路中。下面介绍LM324应用实例。
--------------------------------------------------------------------------------
反相交流放大器
电路见附图。此放大器可代替晶体管进行交流放大,可用于扩音机前置放大等。电路无需调试。放大器采用单电源供电,由R1、R2组成1/2V+偏置,C1是消振电容。

放大器电压放大倍数Av仅由外接电阻Ri、Rf决定:Av=-Rf/Ri。负号表示输出信号与输入信号相位相反。按图中所给数值,Av=-10。此电路输入电阻为Ri。一般情况下先取Ri与信号源内阻相等,然后根据要求的放大倍数在选定Rf。Co和Ci为耦合电容。
同相交流放大器
见附图。同相交流放大器的特点是输入阻抗高。其中的R1、R2组成1/2V+分压电路,通过R3对运放进行偏置。

电路的电压放大倍数Av也仅由外接电阻决定:Av=1+Rf/R4,电路输入电阻为R3。R4的阻值范围为几千欧姆到几十千欧姆。
--------------------------------------------------------------------------------
交流信号三分配放大器
此电路可将输入交流信号分成三路输出,三路信号可分别用作指示、控制、分析等用途。而对信号源的影响极小。因运放Ai输入电阻高,运放A1-A4均把输出端直接接到负输入端,信号输入至正输入端,相当于同相放大状态时Rf=0的情况,故各放大器电压放大倍数均为1,与分立元件组成的射极跟随器作用相同。

R1、R2组成1/2V+偏置,静态时A1输出端电压为1/2V+,故运放A2-A4输出端亦为1/2V+,通过输入输出电容的隔直作用,取出交流信号,形成三路分配输出。
--------------------------------------------------------------------------------
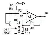
测温电路
见附图。感温探头采用一只硅三极管3DG6,把它接成二极管形式。硅晶体管发射结电压的温度系数约为-2.5mV/℃,即温度每上升1度,发射结电压变会下降2.5mV。运放A1连接成同相直流放大形式,温度越高,晶体管BG1压降越小,运放A1同相输入端的电压就越低,输出端的电压也越低。
这是一个线性放大过程。在A1输出端接上测量或处理电路,便可对温度进行指示或进行其它自动控制。
--------------------------------------------------------------------------------
有源带通滤波器
许多音响装置的频谱分析器均使用此电路作为带通滤波器,以选出各个不同频段的信号,在显示上利用发光二极管点亮的多少来指示出信号幅度的大小。这种有源带通滤波器的中心频率 ,在中心频率fo处的电压增益Ao=B3/2B1,品质因数 ,3dB带宽B=1/(п*R3*C)也可根据设计确定的Q、fo、Ao值,去求出带通滤波器的各元件参数值。R1=Q/(2пfoAoC),R2=Q/((2Q2-Ao)*2пfoC),R3=2Q/(2пfoC)。上式中,当fo=1KHz时,C取0.01Uf。此电路亦可用于一般的选频放大。
此电路亦可使用单电源,只需将运放正输入端偏置在1/2V+并将电阻R2下端接到运放正输入端既可。
--------------------------------------------------------------------------------
比较器
当去掉运放的反馈电阻时,或者说反馈电阻趋于无穷大时(即开环状态),理论上认为运放的开环放大倍数也为无穷大(实际上是很大,如LM324运放开环放大倍数为100dB,既10万倍)。此时运放便形成一个电压比较器,其输出如不是高电平(V+),就是低电平(V-或接地)。当正输入端电压高于负输入端电压时,运放输出低电平。
附图中使用两个运放组成一个电压上下限比较器,电阻R1、R1ˊ组成分压电路,为运放A1设定比较电平U1;电阻R2、R2ˊ组成分压电路,为运放A2设定比较电平U2。输入电压U1同时加到A1的正输入端和A2的负输入端之间,当Ui >U1时,运放A1输出高电平;当Ui <U2时,运放A2输出高电平。运放A1、A2只要有一个输出高电平,晶体管BG1就会导通,发光二极管LED就会点亮。
若选择U1>U2,则当输入电压Ui越出[U2,U1]区间范围时,LED点亮,这便是一个电压双限指示器。
若选择U2 > U1,则当输入电压在[U2,U1]区间范围时,LED点亮,这是一个“窗口”电压指示器。
此电路与各类传感器配合使用,稍加变通,便可用于各种物理量的双限检测、短路、断路报警等。
--------------------------------------------------------------------------------
单稳态触发器
见附图1。此电路可用在一些自动控制系统中。电阻R1、R2组成分压电路,为运放A1负输入端提供偏置电压U1,作为比较电压基准。静态时,电容C1充电完毕,运放A1正输入端电压U2等于电源电压V+,故A1输出高电平。当输入电压Ui变为低电平时,二极管D1导通,电容C1通过D1迅速放电,使U2突然降至地电平,此时因为U1>U2,故运放A1输出低电平。当输入电压变高时,二极管D1截止,电源电压R3给电容C1充电,当C1上充电电压大于U1时,既U2>U1,A1输出又变为高电平,从而结束了一次单稳触发。显然,提高U1或增大R2、C1的数值,都会使单稳延时时间增长,反之则缩短。

图 1
如果将二极管D1去掉,则此电路具有加电延时功能。刚加电时,U1>U2,运放A1输出低电平,随着电容C1不断充电,U2不断升高,当U2>U1时,A1输出才变为高电平。参考图2。 
- 刊登此文只为传递信息,并不表示赞同或者反对作者观点。
- 如果此内容给您造成了负面影响或者损失,本站不承担任何责任。
- 如果内容涉及版权问题,请及时与我们取得联系。

文章评论